MZS-30煤礦用自動蘇生器
煤礦用自動蘇生器自動進行正負壓人工呼吸急救,具備單純給氧和吸引,重量輕操作簡單。
品牌:DINHEM定和
型號:MZS-30

全國統一銷售熱線

MZS-30煤礦用自動蘇生器
煤礦用自動蘇生器自動進行正負壓人工呼吸急救,具備單純給氧和吸引,重量輕操作簡單。
品牌:DINHEM定和
型號:MZS-30
| 品牌 | DINHEM定和 |
| 型號 | MZS-30 |
| 功能 | |
| 常規顏色 | 白色 |
| 有效期 | |
| 類型 | 正壓式 |
| 用途范圍 | |
| 執行標準 | |
| 性能亮點 | |
| 是否進口 | 否 |
| 產地 | 中國 |
| 包裝規格 | |
| 產品尺寸 | |
| 產品重量 | |
| 包裝尺寸(cm) | |
| 包裝重量 |
















MZS-30煤礦用自動蘇生器是一種自動進行正負壓人工呼吸的急救裝置,能把含有氧氣的新鮮空氣連續、自動的輸入傷員肺內。自動蘇生器裝置充裝醫用氧氣,在有氧情況下進行口腔、氣道異物的吸除和實行人工呼吸。儀器還有單純給氧和吸引裝,供呼吸機能未麻痹的傷員呼吸用。
MZS-30煤礦用自動蘇生器具有體積小、重量輕、操作簡單、性能可靠,攜帶方便等特點,特別適用于災難事故現場,也適用于石化、冶金等的搶險救護和醫療單位外出急救及護送傷員中使用(如胸部外傷、一氧化碳(或其它有毒氣體)中毒、溺水、觸電等原因所造成的呼吸抑制或窒息)。
二、工作原理
MZS-30煤礦用自動蘇生器工作原理是:氧氣瓶中的高壓氧氣經減壓后到配氣閥,根據傷員的不同需要,使用接在配氣閥上的自動肺、自主呼吸閥或引射器。當傷員員不能自主呼吸時,用自動肺向傷員肺部充氣或抽氣,如果傷員能自主呼吸時可用自主呼吸閥吸氧,當傷員的呼吸道內有分泌物時,可用引射器將分泌物吸出。
三、 產品結構
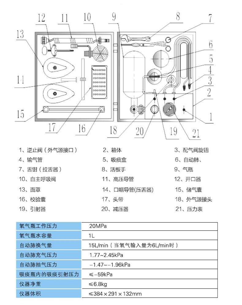
MZS-30煤礦用自動蘇生器主要由氧氣瓶、引射器、吸痰器、減壓器、壓力表、配氣閥、自動肺、自主呼吸閥、面罩等主要部件構成。如圖1所示。
四、 技術參數
1、氧氣瓶工作壓力表 20MPA
2、氧氣瓶容積 1.0L
3、自動肺換氣量15L/min(當氧氣輸入量6L/min)
4、充氣壓力 (1.77~2.45)kPa
5、抽氣壓力 (-1.47~-1.96)kPa
6、吸痰引射壓力 ≤-59 kPa
7、儀器凈重6.8kg
8、外形尺寸(405×295×195)mm
五、產品特點
1、能連續地把新鮮的氧氣自動輸入被搶救人員的肺內,能自動將肺內的氣體抽除,達到心肺復蘇的目的。
2、可吸除被搶救人員呼吸道內的分泌物或異物
3、可吸呼吸機能并未麻痹的傷員吸氧
4、可外接氣源長時間連續工作
5、體積小、重量輕、便于攜帶、操作簡單、性能可靠。
下載日期
2026-01-24
產品名稱
MZS-30煤礦用自動蘇生器
頁碼
page 1 of 3